Please wait...
“We lived in a culture that denied any merit to literary works, considering them important only when they were handmaidens to something seemingly more urgent – namely ideology. This was a country where all gestures, even the most private, were interpreted in political terms.”
An air pressure contour line joins locations in a region having the same atmospheric pressure. The following is an air pressure contour plot of a geographical region. Contour lines are shown at 0.05 bar intervals in this plot.
If the possibility of a thunderstorm is given by how fast air pressure rises or drops over a region, which of the following regions is most likely to have a thunderstorm?
The figures show diagrammatic representations of vector fields \(\vec X,\;\vec Y,\;and\;\vec Z\) respectively. Which one of the following choices is true?
The pole-zero plots of three discrete time systems P, Q and R on the z-plane are shown below.
Which one of the following is TRUE about the frequency selectivity of these system?
When a unit ramp input is applied to the unity feedback system having closed loop transfer function
The transfer function C(s) of a compensator is given below.
\(C\left( s \right) = \frac{{\left( {1 + \frac{s}{{0.1}}} \right)\left( {1 + \frac{s}{{100}}} \right)}}{{\left( {1 + s} \right)\left( {1 + \frac{s}{{10}}} \right)}}\)
Two resistors with nominal resistance values R1 and R2 have additive uncertainties ΔR1 and ΔR2, respectively. When these resistances are connected in parallel, the standard deviation of the error in the equivalent resistance R is
A stationary closed Lissajous pattern on an oscilloscope has 3 horizontal tangencies and 2 vertical tangencies for a horizontal input with frequency 3 kHz. The frequency of the vertical input is
For a 3-input logic circuit shown below, the output Z can be expressed as
In the circuit shown, the diodes are ideal, the inductance is small and I0 ≠ 0 . Which one of the following statements is true?
The figure shows the per-phase representation of a phase-shifting transformer connected between buses 1 and 2, where α is a complex number with non-zero real and imaginary parts.
For the given circuit Ybus and Zbus are bus admittance matrix and bus impedance matrix respectively, each of size 2 × 2. Which one of the following statements is true?
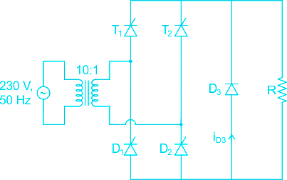
The figure below shows the circuit diagram of a controlled rectifier supplied from a 230 V, 50 Hz, 1-phase voltage source and a 10 : 1 ideal transformer. Assume that all devices are ideal. The firing angles of the thyristors T1 and T2 are 90° and 270° respectively.
The rms value of the current through diode D3 in amperes is ________
Assume that in a traffic junction, the cycle of the traffic signal lights is 2 minutes of green (vehicle does not stop) and 3 minutes of red (vehicle stops). Consider that the arrival time of vehicles at the junction is uniformly distributed over 5 minute cycle. The expected waiting time (in minutes) for the vehicle at the junction is ___________ .
Consider a function f(x, y, z) given by
f(x, y, z) = (x2 + y2 – 2z2)(y2 + z2)
The partial derivative of this function with respect to x at the point x = 2, y = 1 and z = 3 is _______
Let x and y be integers satisfying the following equations
2x2 + y2 = 34
x + 2y = 11
The value of (x + y) is _______.
For the given 2-port network, the value of transfer impedance Z21 in ohms is _______.
The initial charge in the 1 F capacitor present in the circuit shown is zero. The energy in joules transferred from the DC source until steady state condition is reached equals _________. (Give the answer up to one decimal place.)
The mean square value of the given periodic waveform f(t) is ________
The nominal-π circuit of a transmission line is shown in the figure.
Impedance Z = 100∠80° Ω and reactance X = 3300 Ω. The magnitude of the characteristic impedance of the transmission line, in Ω, is ________. (Give the answer up to one decimal place.)
In a load flow problem solved by Newton-Raphson method with polar coordinates, the size of the Jacobian is 100 × 100. If there are 20 PV buses in addition to PQ Buses and a slack bus, the total number of buses in the system is _________.
Let \(g\left( x \right) = \left\{ {\begin{array}{*{20}{c}}{ - x,}&{x \le 1}\\{x + 1,}&{x \ge 1}\end{array}} \right.\) and \(f\left( x \right) = \left\{ {\begin{array}{*{20}{c}}{1 - x,}&{x \le 0}\\{{x^2},}&{x > 0}\end{array}} \right.\).
Consider the composition of f and g, i.e. (fog)(x) = f(g(x)). The number of discontinuities in (fog)(x) present in the interval (-∞, 0) is:
The value of the contour integral in the complex plane
\(\oint \frac{{{z^3} - 2z + 3}}{{z - 2}}dz\)
The Eigen values of the matrix below are
\(\left[ {\begin{array}{*{20}{c}}0&1&0\\0&0&1\\0&{ - 3}&{ - 4}\end{array}} \right]\)
For the star connected 3-phase circuit shown in the figure below, the line-line voltage is 208 V rms and the total power absorbed by the load is 432 W at a power factor of 0.6 leading.
The appropriate value of the impedance Z is
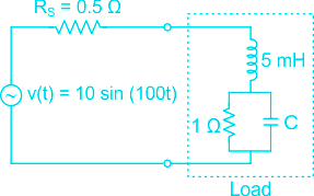
In the circuit shown below, the value of the capacitor C required for maximum power to be transferred to the load is
The output y(t) of the following system is to be sampled, so as to reconstruct it from its samples uniquely. The required minimum sampling rate is
A cascade system having the impulse response \({{\rm{h}}_1}\left( {\rm{n}} \right) = \left\{ {\begin{array}{*{20}{l}}{1, - 1}\\ \uparrow \end{array}} \right\}\) and \({{\rm{h}}_2}\left( {\rm{n}} \right) = \left\{ {\begin{array}{*{20}{l}}{1,{\rm{\;}}1}\\ \uparrow \end{array}} \right\}\) is shown in the figure below, where symbol ↑ denotes the time origin.
The input sequence x(n) for which the cascade system produces an output sequence \({\rm{y}}\left( {\rm{n}} \right) = \left\{ {\begin{array}{*{20}{l}}{1,{\rm{\;}}2,{\rm{\;}}1,{\rm{\;}} - 1,{\rm{\;}} - 2,{\rm{\;}} - 1}\\ \uparrow \end{array}} \right\}\) is
For the circuit shown in the figure below, it is given that \({V_{CE}} = \frac{{{V_{CC}}}}{2}\). The transistor has β = 29 and VBE = 0.7 V when the B-E junction is forward biased.
For this circuit, the value of \(\frac{{{R_B}}}{R}\) is
For the circuit shown below, assume that the OPAMP is ideal.
Which one of the following is TRUE?
The figure below shows a half-bridge voltage source inverter supplying an RL-load with R = 40 Ω and \(L = \left( {\frac{{0.3}}{\pi }} \right)H\). The desired fundamental frequency of the load voltage is 50 Hz. The switch control signals of the converter are generated using sinusoidal pulse width modulation with modulation index M = 0.6. At 50 Hz, the RL-load draws an active power of 1.44 kW. The value of DC source voltage VDC in volts is
For the network shown below, the Thevenin’s voltage Vab is
A 25 kVA, 400 V, Δ-connected, 3-phase, cylindrical rotor synchronous generator requires a field current of 5 A to maintain the rated armature current under short-circuit condition. For the same field current, the open-circuit voltage is 360 V. Neglecting the armature resistance and magnetic saturation, its voltage regulation (in % with respect to terminal voltage), when the generator delivers the rated load at 0.8 pf leading, at rated terminal voltage is __________.
Consider the following system described by the following state space representation.
\(\left[ {\begin{array}{*{20}{c}}{\mathop {\dot x}\nolimits_1 \left( t \right)}\\{\mathop {\dot x}\nolimits_2 \left( t \right)}\end{array}} \right] = \left[ {\begin{array}{*{20}{c}}0&1\\0&{ - 2}\end{array}} \right]\left[ {\begin{array}{*{20}{c}}{{x_1}\left( t \right)}\\{{x_2}\left( t \right)}\end{array}} \right] + \left[ {\begin{array}{*{20}{c}}0\\1\end{array}} \right]u\left( t \right)\)
\(y\left( t \right) = \left[ {\begin{array}{*{20}{c}}1&0\end{array}} \right]\left[ {\begin{array}{*{20}{c}}{{x_1}\left( t \right)}\\{{x_2}\left( t \right)}\end{array}} \right]\)
If u(t) is a unit step input and \(\left[ {\begin{array}{*{20}{c}}{{x_1}\left( 0 \right)}\\{{x_2}\left( 0 \right)}\end{array}} \right] = \left[ {\begin{array}{*{20}{c}}1\\0\end{array}} \right]\), the value of output y(t) at t = 1 sec (round off to three decimal places) is ________
In the circuit shown in the figure, the diode used is ideal. The input power factor is __________. (Give the answer up to two-decimal places.)
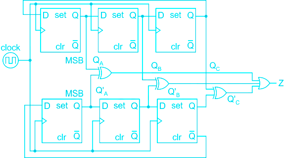
For the synchronous sequential circuit shown below, the output Z is zero for the initial conditions \({Q_A}{Q_B}{Q_C} = Q_A'Q_B'Q_C' = 100\).
The minimum number of clock cycles after which the output Z would again become zero is _______.
In the circuit shown all elements are ideal and the switch S is operated at 10 kHz and 60% duty ratio. The capacitor is large enough so that the ripple across it is negligible and at steady state acquires a voltage as shown. The peak current in amperes drawn from the 50 V DC source is _________. (Give the answer up to one decimal place.)
Consider an overhead transmission line with 3-phase, 50 Hz balanced system with conductors located at the vertices of an equilateral triangle of length Dab = Dbc = Dca = 1 m as shown in figure below. The resistances of the conductors are neglected. The geometric mean radius (GMR) of each conductor is 0.01 m. Neglecting the effect of ground, the magnitude of positive sequence reactance in Ω/km (rounded off to three decimal places) is _________
A 3-phase, 50 Hz generator supplies power of 3 MW at 17.32 kV to a balanced 3-phase inductive load through an overhead line. The per phase line resistance and reactance are 0.25 Ω and 3.925 Ω respectively. If the voltage at the generator terminal is 17.87 kV, the power factor of the load is ________.
A thin soap bubble of radius, R = 1 cm and thickness a = 3.3 μm (a ≪ R), is at a potential of 1 V with respect to a reference point at infinity. The bubble bursts and becomes a single spherical drop of soap (assuming all the soap is contained in the drop) of radius r. The volume of the soap in the thin bubble is 4πR2a and that of the drop is \(\frac{4}{3}\pi {r^3}\). The potential in volts, of the resulting single spherical drop with respect to the same reference point at infinity is ________. (Give the answer up to two decimal places.)